凸輪轉子泵維修技術要點分析
摘要:凸輪轉子泵是化纖生產中物料(漿料)榆送系統的重要設備,介紹其技術性能、常見故障分析和維修技術要點,為設備通過管道連續…
銷售熱線
021-56082699 56081570
電子郵箱
likaimp@163.com
摘要:凸輪轉子泵是化纖生產中物料(漿料)榆送系統的重要設備,介紹其技術性能、常見故障分析和維修技術要點,為設備通過管道連續…
摘要:在化工領域,考慮到一次投賚成本和維修簡便,很多裝置內輸送物料場合業主習慣選用離心泵的轉子泵型比較多,而轉子泵如螺桿…
隨著生活水平和健康意識的不斷提高,人們對于食品安全的要求也越來越高。在食品及藥品生產過程中越來越多地采用了全自動化控制…
JYZR型液壓隔膜式計量泵是一種能按照工藝流程要求,具有行程可在 0~100% 范圍內定量輸送各種液體,且被輸送介質的計量精度為 ±1% 的通用機械設備。適用于輸送溫度為-30~120℃,粘度為 0.3~800mm2/s 的不含固狀顆粒的介質 。
| 型號 | 流量(L/H) | 壓力(Mpa) | 柱塞直徑(mm) | 行程(mm) | 泵速(mm) | 電機功率(kw) | 進出口徑(DN) | 重量(kg) |
| JYZR 24/25 | 24 | 25 | 16 | 30 | 96 | 1.5 | 10 | 140 |
| JYZR 24/16 | 24 | 16 | 1.1 | |||||
| JYZR 40/20 | 40 | 20 | 20 | 1.5 | ||||
| JYZR 40/10 | 40 | 10 | 1.1 | |||||
| JYZR 50/16 | 50 | 16 | 1.5 | |||||
| JYZR 50/8.0 | 50 | 8.0 | 1.1 | |||||
| JYZR 60/13 | 60 | 13 | 22 | 144 | 1.5 | 15 | 155 | |
| JYZR 60/6.3 | 60 | 6.3 | 1.1 | |||||
| JYZR 80/10 | 80 | 10 | 1.5 | |||||
| JYZR 80/5.0 | 80 | 5.0 | 1.1 | |||||
| JYZR 100/8.0 | 100 | 8.0 | 25 | 1.5 | ||||
| JYZR 100/4.0 | 100 | 4.0 | 1.1 | |||||
| JYZR 110/9.0 | 110 | 9.0 | 1.5 | |||||
| JYZR 110/6.3 | 110 | 6.3 | 1.1 | |||||
| JYZR 125/6.3 | 125 | 6.3 | 32 | 96 | 1.5 | |||
| JYZR 125/3.2 | 125 | 3.2 | 1.1 | |||||
| JYZR 160/5.0 | 160 | 5.0 | 36 | 1.5 | ||||
| JYZR 160/2.5 | 160 | 2.5 | 1.1 | |||||
| JYZR 200/4.0 | 200 | 4.0 | 40 | 1.5 | ||||
| JYZR 200/2.6 | 200 | 2.6 | 1.1 | |||||
| JYZR 250/3.2 | 250 | 3.2 | 45 | 1.5 | 20 | 162 | ||
| JYZR 250/2.0 | 250 | 2.0 | 1.1 | |||||
| JYZR 320/2.3 | 320 | 2.3 | 50 | 1.5 | ||||
| JYZR 320/1.6 | 320 | 1.6 | 1.1 | |||||
| JYZR 400/2.0 | 400 | 2.0 | 55 | 1.5 | ||||
| JYZR 400/1.4 | 400 | 1.4 | 1.1 | |||||
| JYZR 460/1.6 | 460 | 1.6 | 60 | 1.5 | ||||
| JYZR 460/1.2 | 460 | 1.2 | 1.1 | |||||
| JYZR 500/1.4 | 500 | 1.4 | 63 | 144 | 1.5 | |||
| JYZR 500/1.0 | 500 | 1.0 | 1.1 | |||||
| JYZR 750/1.4 | 750 | 1.4 | 1.5 | |||||
| JYZR 750/1.0 | 750 | 1.0 | 1.1 |
| 型 號 | 流 量(L/H) | 壓 力(Mpa) | 柱塞直徑(MM) | 行程(MM) | 泵速(MIN-1) | 功率(KW) | 進口口徑(MM) | 重量(KG) |
|---|---|---|---|---|---|---|---|---|
| JYZR-20/30 | 20 | 30 | 16 | 30 | 96 144 |
1.5 | 8 | 100 |
| JYZR-24/20 | 24 | 20 | 1.1 | |||||
| JYZR-28/25 | 28 | 25 | 18 | 1.5 | ||||
| JYZR-35/10 | 35 | 10 | 1.1 | 10 | ||||
| JYZR-35/20 | 35 | 20 | 20 | 1.5 | ||||
| JYZR-40/10 | 40 | 10 | 1.1 | |||||
| JYZR-45/15 | 45 | 15 | 22 | 1.5 | ||||
| JYZR-50/10 | 50 | 10 | 1.1 | |||||
| JYZR-75/16 | 75 | 16 | 25 | 1.5 | ||||
| JYZR-100/12 | 100 | 12 | 30 | 1.1 | ||||
| JYZR-120/5.0 | 120 | 5.0 | 1.5 | |||||
| JYZR-130/10 | 130 | 10 | 32 | 1.1 | 12 | |||
| JYZR-150/8.0 | 150 | 8.0 | 36 | 1.5 | ||||
| JYZR-175/5.0 | 175 | 5.0 | 1.1 | |||||
| JYZR-200/6.0 | 200 | 6.0 | 40 | 1.5 | ||||
| JYZR-250/5.0 | 250 | 5.0 | 45 | 1.1 | ||||
| JYZR-270/4.0 | 270 | 4.0 | 1.5 | |||||
| JYZR-300/4.5 | 300 | 4.5 | 50 | 1.1 | ||||
| JYZR-330/4.0 | 330 | 4.0 | 1.5 | |||||
| JYZR-400/2.0 | 400 | 2.0 | 55 | 1.1 | ||||
| JYZR-450/2.5 | 450 | 2.5 | 60 | 1.5 | 17 | |||
| JYZR-480/1.5 | 480 | 1.5 | 1.1 | |||||
| JYZR-630/1.0 | 630 | 1.0 | 1.5 |
結構原理 液壓隔膜式式計量泵 由電動機傳動機構、液壓系統等組成。
傳動機構
1.行程調節機構由曲軸、偏心輪、調節螺母、調節絲桿、調節手輪(柄)、刻度盤〔指針)和標尺構成,由改變偏心距來達到柱塞的相對行程。
2.由電機動力傳遞給蝸桿、蝸輪實現減速旋轉,促使曲軸、連桿機構作往復運動,帶動柱塞產生液力。
液壓系統
1.液壓隔膜式式計量泵液力端的柱塞由傳動端的曲柄連桿機構的往復運動帶動進行工作。柱塞在液壓腔內作往復運動,促使液壓油的壓力變化,使液壓隔膜式撓曲位移來輸送介質,液壓腔內液壓油量的相對穩定,由三闊的功能來保持。
2.液壓液壓隔膜式式計量泵的液壓系統,其結構由柱塞、缸體、缸蓋、進出口闊、液壓隔膜式和三闊組成(即:放氣過載闊、限位闊、補償闊:)。在工作中由膜片隔開液壓油和介質,故液壓隔膜式式計量泵有無泄漏的優點。
3.過載闊自動排出液壓油中進入液壓腔內的氣體,保證工作的平穩,避免了液壓油過多或排放管道受阻產生超壓自動開啟載載闊,達到保護目的。 限位補償裝置是借助液壓隔膜式推動限位闊的開放,按液壓腔內的真空度隨時補充油量,保證液壓腔內液壓油的充滿。
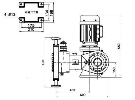
裝配圖

| 序號 | 零件名稱 | 件數 | 序號 | 零件名稱 | 件數 | |
| 1 | 電機 | 1 | 25 | 柱塞 | 1 | |
| 2 | 內六角螺栓 | 4 | 26 | 0型密封圈 | ||
| 3 | 彈簧墊圈 | 4 | 27 | 0型密封圈 | 1 | |
| 4 | 上軸承座 | 1 | 28 | 進油閥總成 | 1 | |
| 5 | 內六角螺栓 | 4 | 29 | 進出水接口 | 1 | |
| 6 | 彈簧墊圈 | 8 | 30 | 單向閥總成 | 2 | |
| 7 | 連桿 | 1 | 31 | 限位閥總成 | 2 | |
| 8 | 蝸輪 | 1 | 32 | 膜片 | 1 | |
| 9 | 泵體 | 1 | 33 | 螺帽M16 | 1 | |
| 10 | 軸承 | 1 | 34 | 彈簧墊圈 | 10 | |
| 11 | 偏心輪 | 1 | 35 | 泵頭 | 10 | |
| 12 | 曲軸 | 1 | 36 | 雙頭螺栓 | 1 | |
| 13 | 軸承 | 1 | 37 | 彈簧墊圈 | 8 | |
| 14 | 軸承隔套 | 1 | 38 | 螺帽 | 8 | |
| 15 | 下蓋板 | 1 | 39 | 0型密封圈 | 8 | |
| 16 | 0型密封圈 | 1 | 40 | 0型密封圈 | 1 | |
| 17 | 鎖夾 | 1 | 41 | 透氣過載閥總成 | 1 | |
| 18 | 油池 | 1 | 42 | 柱塞鎖帽 | 1 | |
| 19 | 密封墊片 | 1 | 43 | 螺絲 | 1 | |
| 20 | 放油螺塞 | 1 | 44 | 復合軸承 | 3 | |
| 21 | 油封壓板 | 1 | 45 | 活塞銷 | 1 | |
| 22 | 油封 | 1 | 46 | 蝸桿 | 1 | |
| 23 | 0型密封圈 | 1 | 47 | 軸承6007 | 1 | |
| 24 | 活塞 | 1 | 48 |
泵的安裝
1.泵應安裝在高于地面300-500毫米高混疑土上,將泵以水平狀態校正;多聯泵安裝應注意以泵的相間聯軸器為校正基準,同心度偏差不得超過0.15毫米〔彈性聯軸器),鋼性聯軸器應在0.05毫米之內;
2.將泵浦安裝在高于藥槽200-300皿的堅固基礎上,并水平安裝。
3.吸排管路上不應有急劇的彎頭〔不大于90°),并應盡量減少管路中彎曲和增加阻力的部件。
4.勿將泵浦及藥槽安裝在日光直接照射之處。
5.藥槽平時應補充藥液及保養檢査之需,請置于較寬敞的場所。
6.請勿安裝在易按觸濕氣或腐蝕性氣體之處。
7.泵浦安裝之周圍溫度在-20~+40℃,高度在海拔1000M以下使用。
管路安裝
1.吸入配管通徑不能少于泵的吸入闊口徑,并應盡量縮短吸入管道長度,一般2-3米為宜; 如必須增加長度時,則應適當加長,但長度不得超過5米(但啟動時的吸入液體時間相對延長)。
2.與吸入、排出闊〔法蘭)聯接的管道,不能強行結合而使泵闊增加負荷,不得將管道及闊門等的重量由泵和吸排闊承擔。管路安裝完畢應支承并固定好管件。
特殊液體對管道通量的增加
1.為了確保泵的安全運營以及管路系統的安全,應在排出管道上設置安全闊,如需要減少被輸送液體的脈沖,可在靠近泵排出管路上安裝緩沖器。
2.對于輸送懸浮液及易產生沉淀的介質,在泵的吸入及排出附近應增設闊門及三通,以便在泵運營停止時不拆開管路就能進行缸體內沖洗。
安裝規范
泵安裝的其它技術要求應符合《機械設備安裝工作施工及驗收規范》TJ231 (五)-78-泵安裝的有關規定。

上一條: J-T柱塞式計量泵
下一條: JYZ型液壓隔膜式計量泵